Err

Audin - Distribution de fournitures en automatisme industriels
Paiement 100% sécurisé
Livraison express
Contact

7000-10081-2161000 | MSUDK-LB1Z-MB10,0

MURRELEKTRONIK
Code fabriquant : 7000-10081-2161000
Code AUDIN : A0007107
Disponible sous 10 jours

Connecteur pour électrovannes


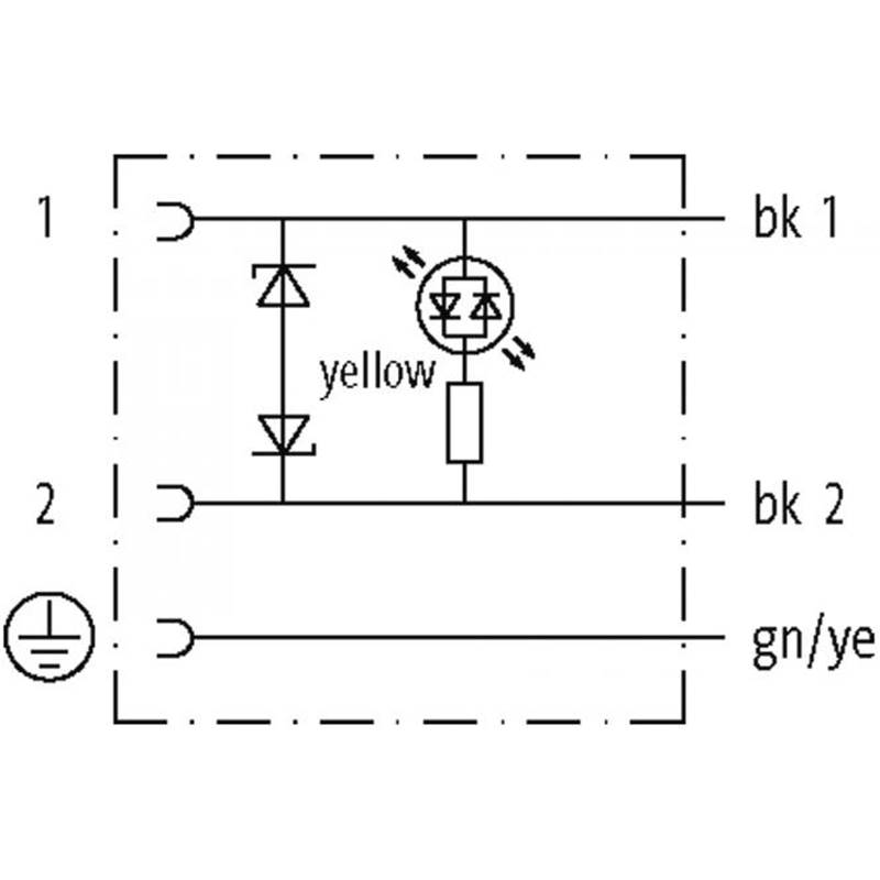
Connecteur pour électrovannes / Câble de raccordement; Type: Forme B 10 mm, 24VAC/DC avec LED et antiparasitage; Raccordement A: Connecteur forme B 10 mm, noir; Raccordement B: Extrémité de câble libre; Câble: 10.00 m, PUR/PVC, 3 fils (3 x 0,75 mm²), gris; Compatible chaînes porte-câbles: Non; Tension de service: 24 V AC ±20% / DC ±25%; Courant de service par contact: max. 4 A; Degré de protection: IP67 (selon EN 60529); Plage de températures (fixe): -30...+70 °C; Plage de températures (mobile): -5...+70 °C
594g
Connecteur pour électrovannes / Câble de raccordement
• Type: Forme B 10 mm, 24VAC/DC avec LED et antiparasitage
• Raccordement A: Connecteur forme B 10 mm, noir
• Raccordement B: Extrémité de câble libre
• Câble: 10.00 m, PUR/PVC, 3 fils (3 x 0,75 mm²), gris
• Compatible chaînes porte-câbles: Non
• Tension de service: 24 V AC ±20% / DC ±25%
• Courant de service par contact: max. 4 A
• Degré de protection: IP67 (selon EN 60529)
• Plage de températures (fixe): -30...+70 °C
• Plage de températures (mobile): -5...+70 °C