Err

Audin - Distribution de fournitures en automatisme industriels
Paiement 100% sécurisé
Livraison express
Contact

C40E-1603CA010

SICK
Code fabriquant : 1018654
Code AUDIN : A0061230
Cet article n'est plus commercialisé

Barrage immatériel de sécurité


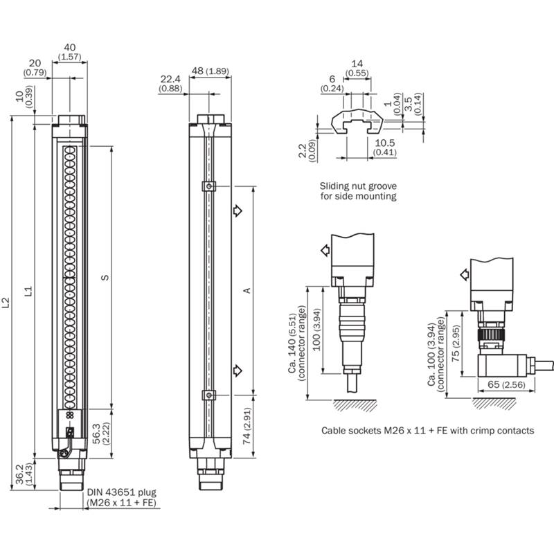
Barrage immatériel de sécurité; Type: Type 4; Pièce du système: Récepteur; Portée typique: 0 m ... 21 m; Résolution: 30 mm; Hauteur du champ de protection: 1.650 mm; Raccordement du système: Connecteur mâle Hirschmann M26, 12 pôles; Section du boîtier: 48 mm x 40 mm; Indice de protection: IP65 (EN 60529); Température de service: 0 °C ... +55 °C; Série: C4000 Standard
3552g
Barrage immatériel de sécurité
• Type: Type 4
• Pièce du système: Récepteur
• Portée typique: 0 m ... 21 m
• Résolution: 30 mm
• Hauteur du champ de protection: 1.650 mm
• Raccordement du système: Connecteur mâle Hirschmann M26, 12 pôles
• Section du boîtier: 48 mm x 40 mm
• Indice de protection: IP65 (EN 60529)
• Température de service: 0 °C ... +55 °C
• Série: C4000 Standard



Généralités


Barrages immatériels de sécurité C4000 Standard
Portée étendue pour plus de flexibilité

Le barrage immatériel de sécurité C4000 Standard protège les points dangereux et les zones dangereuses de manière économique et fiable. La mise en cascade de plusieurs systèmes offre à l'utilisateur une flexibilité accrue pour son application spécifique. Les fonctions telles que la fonction de réarmement et le contrôle des contacteurs commandés facilitent l'intégration dans les machines. Différents adaptateurs de fixation et une gamme d'accessoires intelligents permettent une grande flexibilité de montage. L'alignement et le diagnostic rapides sont assurés par l'intermédiaire de l'afficheur à 7 segments. Le C4000 Standard protège efficacement les machines au niveau de sécurité optimal PL e. Les hauteurs de champ de protection disponibles sont comprises entre 300 et 1.800 mm.

Caractéristiques


• Type 4 (CEI 61496), SIL3 (CEI 61508), PL e (EN ISO 13849)
• Afficheur à 7 segments
• Mode cadencé avec unité d'évaluation UE402
• Contrôle des contacteurs commandés (EDM) et verrouillage de redémarrage (RES)
• Configuration et diagnostic par PC
• Mise en cascade jusqu'à trois systèmes
• Sortie d'état ADO (Application Diagnostic Output) pour l'affichage du niveau d'encrassement
• Accessoire Clone Plug pour enregistrer la configuration