Err

Audin - Distribution de fournitures en automatisme industriels
Paiement 100% sécurisé
Livraison express
Contact

MRA-G055-101D4

SICK
Code fabriquant : 5324019
Code AUDIN : A0071483
Disponible sous 5 jours

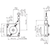
Mécanisme à câble


Mécanisme à câble; Description: Mécanisme à câble Ecoline pour bride synchro avec arbre 6 mm, plage de mesure 0 m ... 1,25 m; Compris dans la livraison: Sans codeur
175g
Mécanisme à câble
• Description: Mécanisme à câble Ecoline pour bride synchro avec arbre 6 mm, plage de mesure 0 m ... 1,25 m
• Compris dans la livraison: Sans codeur