Err

Audin - Distribution de fournitures en automatisme industriels
Paiement 100% sécurisé
Livraison express
Contact

MY2K-US 24VAC

OMRON
Code fabriquant : 679883
Code AUDIN : A0050703
En Stock
(3 Article(s) en stock)

Relais miniature bistable


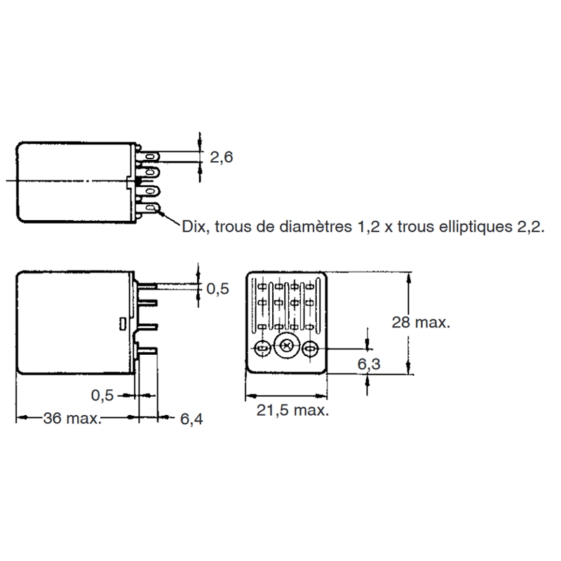
Relais électromécanique bistable; Courant nominal: 3 A; Disposition des contacts: DPDT; Tension de bobine: 24 Vc.a.; Caractéristiques: Indicateur mécanique, Verrouillage; Charge mini.: = 1 mA, = 10 mA, = 100 mA; Polarité de bobine: A1+ / A2-; Bornes relais: Enfichable; Méthode de câblage sur socle: Vis; Montage: Socle - rail DIN
30g
Relais électromécanique bistable
• Courant nominal: 3 A
• Disposition des contacts: DPDT
• Tension de bobine: 24 Vc.a.
• Caractéristiques: Indicateur mécanique, Verrouillage
• Charge mini.: = 1 mA, = 10 mA, = 100 mA
• Polarité de bobine: A1+ / A2-
• Bornes relais: Enfichable
• Méthode de câblage sur socle: Vis
• Montage: Socle - rail DIN



Généralités


Relais bistables de puissance miniatures - MYK
Relais à verrouillage magnétique, idéal pour les circuits de mémoire et de transmission de données

• Relais à verrouillage magnétique MYK, doté d'une faible consommation d'énergie, qui conserve l'état des opérations de contact.
• Système de verrouillage à enroulement double qui conserve le magnétisme résiduel. Modifications imputables au vieillissement négligeables, en raison de l’utilisation de matériaux magnétiques spéciaux qui garantissent un temps de maintien constant et durable. Peu de modifications des caractéristiques de suivi des contacts, de pression des contacts, etc., durant toute la durée de vie.
• Excellente résistance aux vibrations et aux chocs.
• Voyant de fonctionnement intégré facilitant la surveillance de fonctionnement ON/OFF.
• Les modèles MY2K sont également utilisés pour les armoires dédiées aux applications d'énergie éolienne.