Err

Audin - Distribution de fournitures en automatisme industriels
Paiement 100% sécurisé
Livraison express
Contact

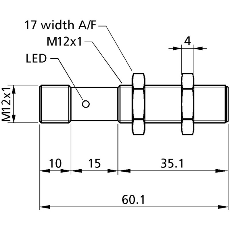
nano-15/CU

MICROSONIC
Code fabriquant : 34006
Code AUDIN : A0574990
Disponible sous 10 jours

Capteur à ultrasons


Détecteur à ultrasons
0g
Détecteur à ultrasons