Err

Audin - Distribution de fournitures en automatisme industriels
Paiement 100% sécurisé
Livraison express
Contact
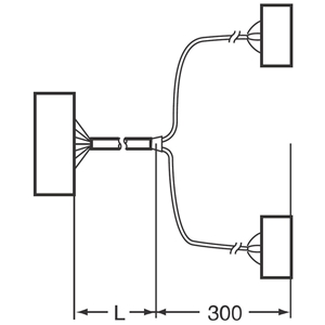
P2RV-200C-SCH-D

P2RV-200C-SCH-D

OMRON
Code fabriquant : 670833
Code AUDIN : A0247492
Disponible sous 99 jours

Câble pour bloc interface


Bloc interface g2rv - api schneider
0g
Bloc interface g2rv - api schneider