Err

Audin - Distribution de fournitures en automatisme industriels
Paiement 100% sécurisé
Livraison express
Contact

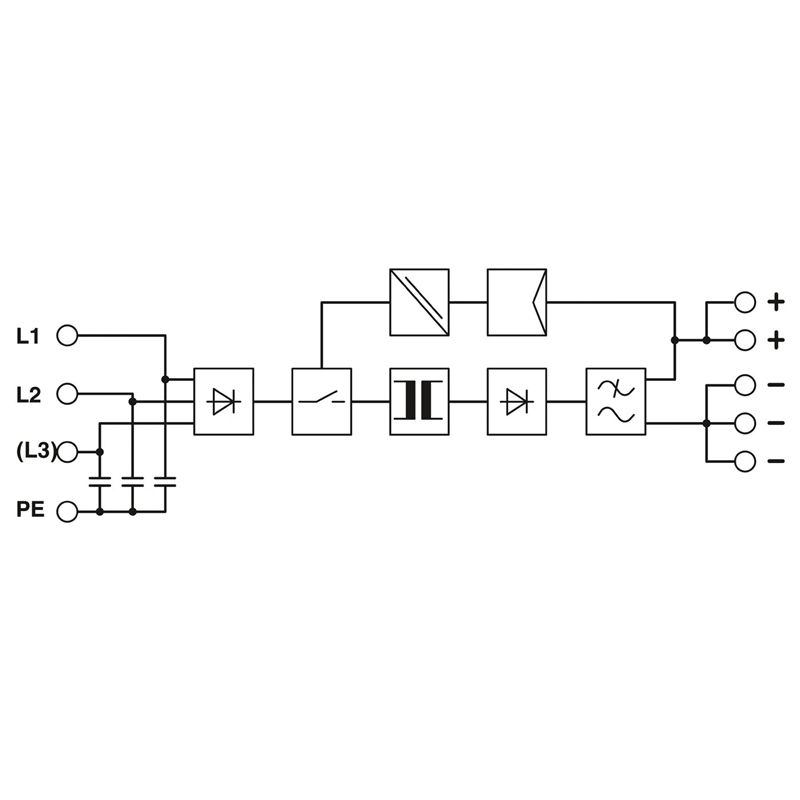
TRIO-PS/3AC/24DC/10

PHOENIX CONTACT
Code fabriquant : 2866459
Code AUDIN : A0381138
Cet article n'est plus commercialisé

Alimentation à découpage


Alimentation à découpage primaire, TRIO POWER, raccordement vissé, montage sur profilé, entrée: triphasée 2x / 3x 400 V AC ... 500 V AC, sortie: 24 V DC / 10 A
1300g
Alimentation à découpage primaire, TRIO POWER, raccordement vissé, montage sur profilé, entrée : triphasée 2x / 3x 400 V AC ... 500 V AC, sortie : 24 V DC / 10 A