Err

Audin - Distribution de fournitures en automatisme industriels
Paiement 100% sécurisé
Livraison express
Contact

UE45-3S12D330

SICK
Code fabriquant : 6024913
Code AUDIN : A0076116
Cet article n'est plus commercialisé

Relais de sécurité


Relais de sécurité; Applications: Unité d'évaluation; Types de capteur compatibles: Appareils de commande de sécurité, interrupteurs de sécurité; Nombre de canaux de commande sûrs (contact à fermeture (NO)): 3; Temporisation d'arrêt: 1,5 s 30 s; Réarmement: Automatique / Manuel; Raccordement: Borniers à vis fixes; Tension d'alimentation: 24 V DC; Série: UE45-3S1
283g
Relais de sécurité
• Applications: Unité d'évaluation
• Types de capteur compatibles: Appareils de commande de sécurité, interrupteurs de sécurité
• Nombre de canaux de commande sûrs (contact à fermeture (NO)): 3
• Temporisation d'arrêt: 1,5 s 30 s
• Réarmement: Automatique / Manuel
• Mode de raccordement: Borniers à vis fixes
• Tension d'alimentation: 24 V DC
• Série: UE45-3S1
______________________________________

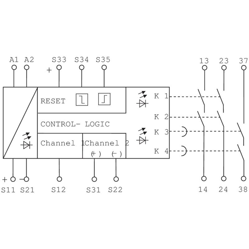
Généralités sur la série UE45-3S1 de Sick :

Relais de sécurité UE45-3S1


Arrêt sécurisé avec temporisation

Le relais de sécurité UE45-3S1 surveille les interrupteurs de sécurité et les boutons-poussoir d’arrêt d’urgence dans les applications à freinage sécurisé.
Il dispose de deux contacts de sécurité qui désactivent directement une partie des actionneurs. Les autres actionneurs restent actifs jusqu'au freinage complet de la machine. Ces actionneurs sont désactivés après un délai défini.
Ceci permet au dispositif de freinage d'arrêter la machine afin de pouvoir y accéder que lorsque cette dernière est complètement immobilisée.

• Idéal pour évaluer les boutons-poussoirs d'arrêt d'urgence et les interrupteurs de sécurité
• Détection des courts-circuits croisés et surveillance séquentielle en cas de commande à double canal
• 2 contacts NO pour l'intégration directe dans l'environnement de la machine
• 1 contact NO temporisé jusqu'à 30 s. pour les applications avec arrêt de catégorie 1
• Réarmement manuel ou automatique
• Contrôle des contacteurs commandés (EDM)
• Version codée pour tous les emplacements de borniers